24小时服务热线

15106106399

质量就是企业生命的真挚承诺

江苏协合达机电设备有限公司

江苏协合达机电设备有限公司位于镇江新区大路镇,专业生产电子散热器,工业型材,散热器型材,散热器型材精加工。随着电子工业快速发展,使电子元件的功率增加,体积精而美,效率高、使用寿命长,合理的选择和正确的使用散热元件,是满足电子产品设计指标要求和提高产品可靠性水平的一个重要组成部分本公司研制生产的全系列铝型材散热器,其热阻特性曲线,按电子工业部部标SJ2564-85《型材散热器》规定的检测方法经测试而得出的,数据可靠,产品广销国内二十多个省市自治区,赢得了广大用户的信赖和好评。我公司将以管理高标准、工作高效率、技术高水平,严格遵守诚信为宗旨,质量就是企业生命的真挚承诺,勇于率先,勇于创新,您的要求...

欢迎光临
产品中心
一如既往地为广大客户提供质量满意的产品及优质的服务

产品中心

PRODUCTS CENTER

  • 工业用铝型材
  • 散热器铝型材
  • 电子散热器
  • 机箱散热器
  • 型材散热器
  • 模块化散热器
  • 带您看工厂
    实力是选择我们的坚实保障

    省中间价格差

    源头厂家对接,无任何中间商

    欢迎来厂考察
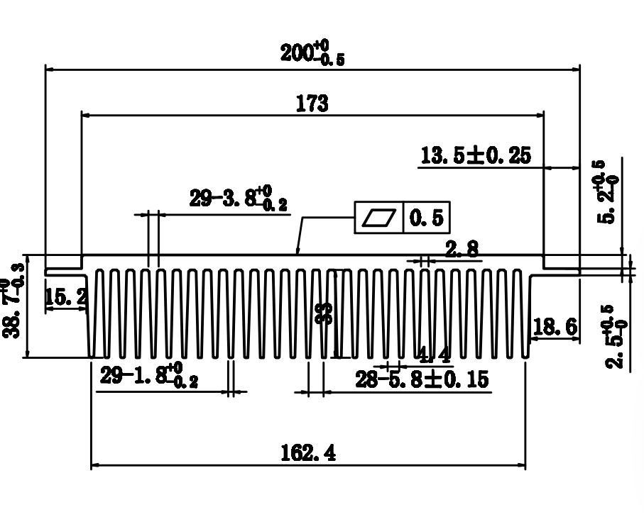
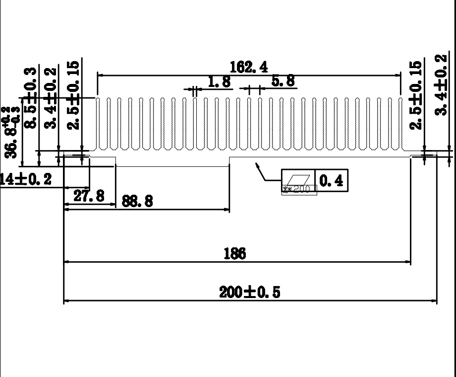
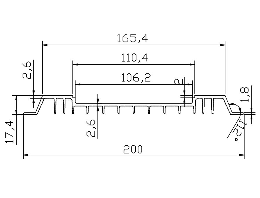
    散热器参数
    PARAMETER
  • SH-08184

  • SH-08183

  • SH-08182

  • SH-08181

  • SH-08180

  • SH-08179

  • SH-08178

  • SH-08177

  • SH-08176

  • SH-08175

  • SH-08174

  • SH-08173

  • 查看更多规格参数
    应用领域
    为各行业客户提供专业解决方案
    新闻动态
    NEWS CENTER
  • 电子散热器的作用与功能

    随着电子器械类产品在生活生产中的普及,大家对其使用频率也越来越高。在这些电子设备的内部,有一位“功臣”不得不提,那就是电子散热器。其实,无论...

    2024-06-17
  • 电子散热器有哪几种常用的材质

    如今人们的生活越来越离不开电子产品,手机、平板电脑、笔记本电脑等产品都是日常的必需品。大家在选择电子产品时常常从功能上进行比较,功能越强大就...

    2024-06-17
  • 电子散热器的材质和生产工艺

    我们经常看到的电子散热器材质基本都是铜或者铝合金的,到底哪一种更好呢,其实二者各其优缺点。大家都知道铜的导热性非常好,但其价格较贵,加工难度...

    2024-06-17
  • 电子散热器为了满足用户需求有...

    电子散热器为了满足用户需求,采暖散热器厂家可以开展以下的一些服务。一是售前服务:帮用户设计布置散热器,折除旧散热器。在装修时,因为消费者本身...

    2024-04-17
  • 电子散热器产品创新的思路

    随着科技的快速发展,我们使用的电子散热器也在不断的发展,电子散热器行业的发展除了是科技发展的必然也是为了能更好的满足我们生活的需要,所以为了...

    2024-04-15
  • 电子散热器的好坏主要取决于其...

    电子散热器的好坏主要取决于其所选用的材料。比如说采用铸铁电子散热器的散热器,它具有好的耐蚀性和承压性,不足处是装饰性差。钢制散热器的优势可随...

    2024-04-10
  • 生产流程
    以流程为基础,以文化为灵魂,成就企业未来

    Contact us

    24小时服务热线

    15106106399

  • 联系我

  • 手机站

  • Copyright @ 2026 江苏协合达机电设备有限公司 All Rights Reserved. 苏ICP备2024106466号